Magna Concursos
74365 Ano: 2010
Disciplina: Engenharia Elétrica
Banca: CESGRANRIO
Orgão: PQS

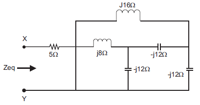
Enunciado 3456772-1

O circuito mostrado na figura acima é representado por suas respectivas resistências, reatâncias indutivas e capacitivas. Sabendo-se que !$ Z_Y=Z_{\Delta}/3 !$ e que a impedância equivalente vista pelo par de terminais X e Y é da forma !$ Z_{eq}=a+j\, b !$. A componente real (a) e a componente imaginária (b) da impedância equivalente vista pelo par de terminais X e Y, mostrados no circuito, correspondem a

Componente real (a)

Componente imaginária (b)

 

Provas

Questão presente nas seguintes provas