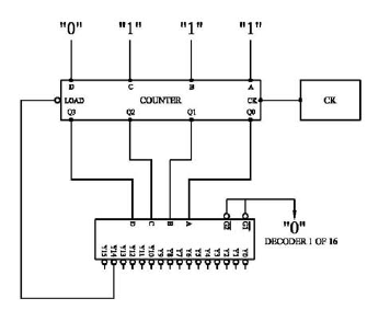
Observe abaixo, o contador que forma parte do circuito digital.

Esse contador comanda um conjunto de relés. Este pode ser carregado no modo assíncrono pela entrada 'load' com a palavra DCBA em binário. A sequência de estados completos do contador será:
Provas
Questão presente nas seguintes provas