
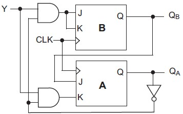
Na figura acima, com o circuito no estado QBQA = 00 e com Y = 1, os flip-flops B e A executarão, respectivamente, as operações de
Provas
Questão presente nas seguintes provas

Na figura acima, com o circuito no estado QBQA = 00 e com Y = 1, os flip-flops B e A executarão, respectivamente, as operações de