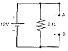
Dado o circuito equivalente Thevenin abaixo.

Em relação ao circuito acima, qual é o circuito equivalente Norton?
Provas
Questão presente nas seguintes provas
Corpo Auxiliar de Praças - Telecomunicações
50 Questões
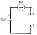
Dado o circuito equivalente Thevenin abaixo.

Em relação ao circuito acima, qual é o circuito equivalente Norton?