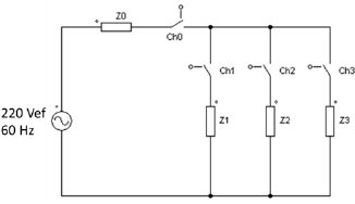
Em uma instalação elétrica, cada aparelho conectado à rede elétrica drena corrente e por isso é considerado uma carga. Essas cargas podem ter características resistivas, indutivas e capacitivas. Considere o circuito abaixo. Cada impedância em paralelo (Z1,Z2 e Z3 ) representa uma carga conectada à rede elétrica e a impedância em série (Z0) representa o efeito de carga da fiação elétrica. As chaves Ch1, Ch2 e Ch3 são usadas para ligar ou desligar a carga do ramo em que está localizada. A chave Ch0 é a chave geral do circuito, que liga ou desliga todas as cargas de uma vez.

Figura: Circuito elétrico.
Supondo:
\( Z_0 = 10 + j2\,\,\,Z_2 = 80 + j80\\Z_1 = 80 + j80\,\,\,Z_3 = -j200 \)
A indutância (em mH) da carga Z1 e a capacitância (em \( \mu\,F \)) da carga Z3 são,