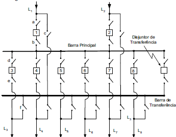
A configuração do arranjo de barras de uma subestação é feita de acordo com o diagrama unifilar apresentado na figura.

Todas as linhas e alimentadores estão operando normalmente com a utilização exclusiva da barra principal. O disjuntor de transferência e suas seccionadoras estão abertos e a barra de transferência está sem tensão. Por inspeção visual em todos os equipamentos da subestação, a equipe de manutenção verificou a necessidade de intervenção no disjuntor 5. Das alternativas indicadas, qual a que representa a melhor sequência de manobras para isolar com segurança o disjuntor 5, sem perda da continuidade de serviço da subestação.
Provas
Questão presente nas seguintes provas