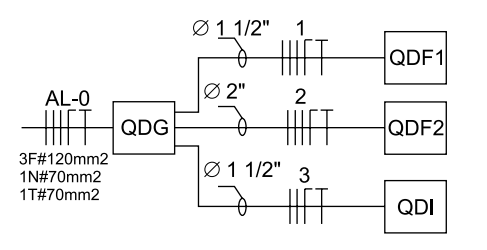
Considere o trecho de diagrama unifilar mostrado na figura a seguir, em que AL-0 é o alimentador principal da instalação.

É correto afirmar que:
Considere o trecho de diagrama unifilar mostrado na figura a seguir, em que AL-0 é o alimentador principal da instalação.

É correto afirmar que: