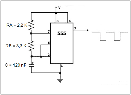
Observe o circuito a seguir.

Fonte: Arquivo Banca Elaboradora.
Considerando o circuito e seus respectivos valores, qual deverá ser a frequência apresentada em sua saída?
Observe o circuito a seguir.

Fonte: Arquivo Banca Elaboradora.
Considerando o circuito e seus respectivos valores, qual deverá ser a frequência apresentada em sua saída?