
A figura acima ilustra um conversor CA-CA monofásico,
em que vS é a tensão no secundário do transformador de
alimentação e R representa uma resistência de carga. O diodo e o
tiristor são ideais e o ângulo de disparo do tiristor está estritamente
no intervalo de 0º a 180º.
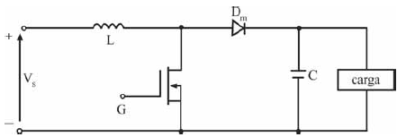
A figura abaixo ilustra um conversor CC-CC em que a tensão de alimentação Vs é superior à tensão na carga.
