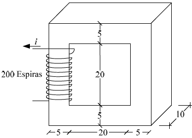
O reator, mostrado na Figura, foi construído com um material magnético de permeabilidade relativa !$ \mu_R = 4000 (H\,/\,m) !$, com as seguintes especificações: a bobina de excitação possui 200 espiras e foi considerada a permeabilidade do vácuo como sendo !$ \mu_0 !$.

Sabendo-se que todas as dimensões do reator estão em cm, os valores CORRETOS da relutância e da corrente da bobina, necessários para estabelecer o fluxo magnético de