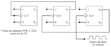
O diagrama lógico abaixo ilustra um contador assíncrono crescente de módulo 8. A troca de estado entre os Flip-Flops do tipo master slave ocorre:

Provas
Questão presente nas seguintes provas
Técnico - Mecatrônica e Automação Industrial
40 Questões