Magna Concursos
2176030 Ano: 2022
Disciplina: Engenharia Elétrica
Banca: FCC
Orgão: TRT-4

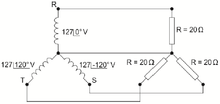
Considere o circuito trifásico equilibrado abaixo.

Enunciado 3356873-1

A potência ativa que está sendo dissipada na carga é:

 

Provas

Questão presente nas seguintes provas

Analista Judiciário - Engenharia Elétrica

60 Questões