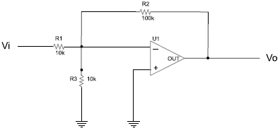
Considere o circuito da figura a seguir que contém um amplificador operacional ideal.

O ganho de tensão !$ \large{V_o \over V_i} !$ do circuito é:
Considere o circuito da figura a seguir que contém um amplificador operacional ideal.

O ganho de tensão !$ \large{V_o \over V_i} !$ do circuito é: