
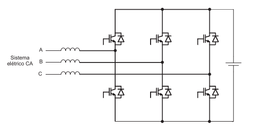
A figura acima mostra um circuito com um inversor trifásico conectado a uma fonte de tensão contínua, sendo seus terminais de saída A, B e C conectados a um sistema elétrico de corrente alternada (Sistema elétrico CA). A esse respeito, considere as afirmativas abaixo.
I - Só pode haver fluxo de potência ativa da fonte de tensão contínua para o sistema elétrico CA.
II - Para que o inversor funcione adequadamente, o valor de pico das tensões no sistema elétrico CA deve ser maior que o valor da tensão da fonte de tensão contínua.
III- O inversor pode fornecer potência não ativa, proveniente de reativos e harmônicos, para o sistema elétrico CA.
Está correto APENAS o que se afirma em