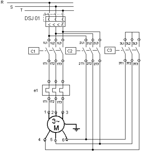
O diagrama de força proposto, conforme a figura a seguir, é utilizado para o acionamento de um motor trifásico.

O tipo de partida proposto pelo diagrama é:
O diagrama de força proposto, conforme a figura a seguir, é utilizado para o acionamento de um motor trifásico.

O tipo de partida proposto pelo diagrama é: