Magna Concursos
2284697 Ano: 2014
Disciplina: Engenharia Eletrônica
Banca: UFSCAR
Orgão: UFSCAR
Provas:

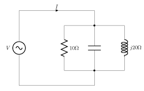
O valor da impedância capacitiva de forma que a corrente (I) do circuito ilustrado na figura a seguir seja mínima é de:

Enunciado 2948674-1

 

Provas

Questão presente nas seguintes provas

Engenheiro Eletricista

60 Questões