Magna Concursos
2785566 Ano: 2023
Disciplina: Engenharia Elétrica
Banca: FUNDATEC
Orgão: Eletrocar
Provas:

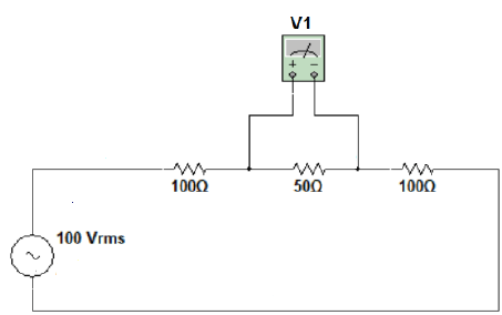
Para o circuito a seguir, determine a tensão medida pelo voltímetro V.

Enunciado 3256529-1

 

Provas

Questão presente nas seguintes provas

Eletrotécnico

40 Questões