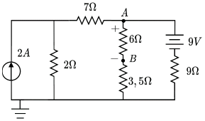
Deseja-se obter a resistência e tensão de Thévenin no ponto A e B do circuito a seguir.

Assinale a alternativa que apresenta corretamente a tensão e a resistência de Thévenin no ponto A e B, respectivamente.
Deseja-se obter a resistência e tensão de Thévenin no ponto A e B do circuito a seguir.

Assinale a alternativa que apresenta corretamente a tensão e a resistência de Thévenin no ponto A e B, respectivamente.