
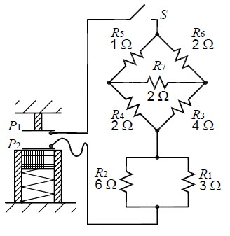
A figura apresenta uma placa positiva metálica P1, de massa desprezível, fixada no teto, que dista 10 cm de uma placa idêntica P2. Ambas constituem um capacitor de 16 pF, carregado com 32 pC. A placa P2 está colada em um bloco de madeira com massa m = 1 kg, mantido em repouso, encostado sobre uma mola não comprimida. Libera-se o movimento do bloco e, no instante que a compressão da mola é máxima, fecha-se a chave S. Sabe-se que nesse instante a potência dissipada em R2 é 2/3 W e que a aceleração da gravidade g = 10 m/s2. A constante da mola, em N/m, é