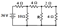
A figura a seguir ilustra um circuito composto por uma fonte e seisresistores:

Se R assumir os valores de 0,8Ω e 2,8Ω, as correntes elétricas quefluirão por R serão, respectivamente, iguais a

Se R assumir os valores de 0,8Ω e 2,8Ω, as correntes elétricas quefluirão por R serão, respectivamente, iguais a
Provas
Questão presente nas seguintes provas