
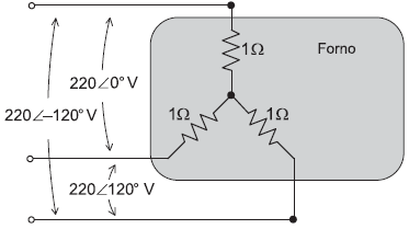
A fonte de calor de um forno elétrico industrial é proveniente de um banco trifásico de resistores de 1 !$ Ω !$ por fase, conforme indicado na figura acima. O forno opera oito horas por dia e é conectado à rede elétrica, cujo valor rms da tensão de linha é 220 V.
Considerando que o preço do kWh é de R$ 0,50, então, o custo diário de operação desse forno, em reais, é