Magna Concursos
1272296 Ano: 2010
Disciplina: Engenharia Eletrônica
Banca: CESPE / CEBRASPE
Orgão: ABIN

Enunciado 1272296-1

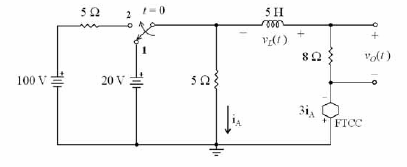
Considere que, no circuito chaveado ilustrado na figura acima acima, constituído de uma fonte de tensão controlada por corrente (FTCC), fontes de tensão independentes CC e elementos passivos de circuito ideais, a chave seja mantida na posição 1, por um longo tempo, em regime permanente, antes do instante t = 0, e que, exatamente nesse instante, a chave seja repentinamente deslocada para a posição 2. Com base nessas informações, julgue os itens seguintes.

A constante de tempo do circuito chaveado na posição 2 é igual a Enunciado 1272296-2

 

Provas

Questão presente nas seguintes provas