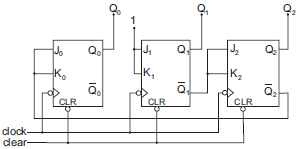
Considere a figura abaixo.

O circuito ilustrado na figura apresenta uma máquina de estados, onde Q2 representa o bit mais significativo e 1 o nível lógico alto. O estado inicial é (0)10, obtido pela ativação do sinal de clear.
Os próximos três estados desta máquina, representados na base 10, são: