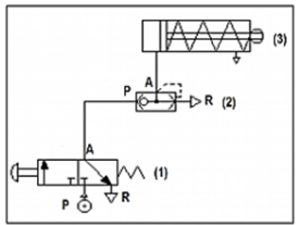
O circuito pneumático, representado na figura abaixo, é um diagrama acerca de uma aplicação qualquer. Nesse mesmo diagrama, excetuando-se as representações das mangueiras, existem três elementos.

Assinale a alternativa que descreve CORRETAMENTE tais elementos.