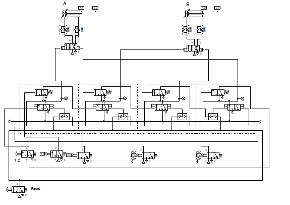
O circuito pneumático, da imagem a seguir, é empregado em um equipamento de uma oficina mecânica.

Com base na análise do circuito, marque a sequência algébrica correta em relação aos movimentos dos cilindros A e B.
O circuito pneumático, da imagem a seguir, é empregado em um equipamento de uma oficina mecânica.

Com base na análise do circuito, marque a sequência algébrica correta em relação aos movimentos dos cilindros A e B.