Analise o circuito a seguir.

Assinale a opção que caracteriza o circuito acima, considerando D0 e D1 as entradas e S0 e S1 as saídas.
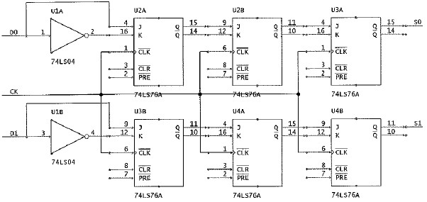
Analise o circuito a seguir.

Assinale a opção que caracteriza o circuito acima, considerando D0 e D1 as entradas e S0 e S1 as saídas.