Magna Concursos
3064329 Ano: 2024
Disciplina: Engenharia Elétrica
Banca: CESPE / CEBRASPE
Orgão: Itaipu
Provas:

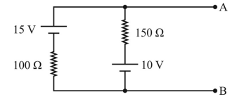
Enunciado 3556127-1

O circuito apresentado na figura precedente pode ser modelado pelo teorema de Thévenin como

 

Provas

Questão presente nas seguintes provas

Engenheiro Eletrônico

50 Questões