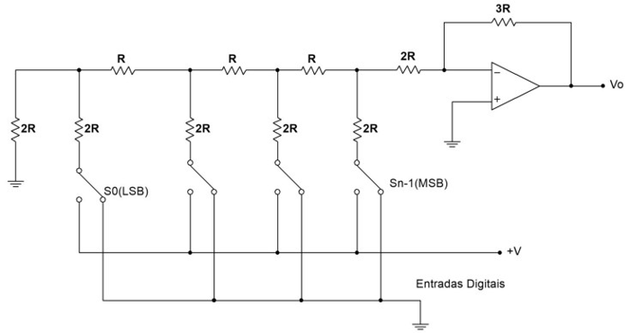
Os conversores A/D digitalizam sinais contínuos, enquanto os conversores D/A recriam sinais analógicos de entradas digitais. No conversor D/A da Figura 1, a constante +V no circuito da foi substituída por uma tensão de onda senoidal de baixa frequência de amplitude 5 V, sendo o conversor D/A de 8 bits.

Figura 1 - Conversor D/A R-2R para entrada digital de n bits
Qual será a saída de tensão Vo se a entrada digital for fixada em 00001000?