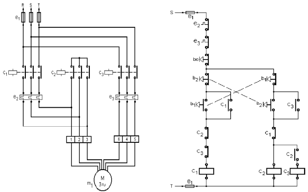
Dados os circuitos de potência e comando para partida de um motor Dahlander, o acionamento do circuito é realizado através das botoeiras b1 e b2 e desativado pela botoeira b0.

No momento que a botoeira b1 for acionada a (s) seguinte (s) contatora (s) será (ão) acionada (s)