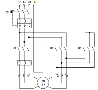
A figura abaixo representa o diagrama de potência para acionamento de um motor de indução
trifásico. Analise a figura e preencha com V as alternativas verdadeiras e com F as alternativas
falsas e depois assinale a única opção com a sequência correta de cima para baixo.
( ) Só é possível o acionamento de um motor elétrico utilizando esta chave de partida se este possuir
seis terminais acessíveis e dispuser de dupla tensão nominal.
( ) Trata-se de uma chave compensadora, sendo a troca da ligação de K2 para K3 durante a partida
acompanhada por uma elevação de corrente.
( ) A partida deve ser feita pelo acionamento de K1 e K3 simultaneamente, assim, o torque e a corrente
de partida ficam reduzidos a 1/3 de seus valores nominais.
( ) Trata-se de uma chave de partida direta com a possibilidade de reversão da rotação, pois o contator
K2 efetua a troca de sequência de fases no motor.
( ) Trata-se de uma chave estrela-triângulo, sendo a troca da ligação de K3 para K2 durante a partida
acompanhada por elevação de corrente.
( ) Trata-se de uma chave de partida direta com freio eletromagnético aplicado pelo acionamento do
contator K3.
( ) Só é possível o acionamento de um motor elétrico utilizando esta chave de partida se este possuir
seis terminais acessíveis e dispuser de dupla tensão nominal.
( ) Trata-se de uma chave compensadora, sendo a troca da ligação de K2 para K3 durante a partida
acompanhada por uma elevação de corrente.
( ) A partida deve ser feita pelo acionamento de K1 e K3 simultaneamente, assim, o torque e a corrente
de partida ficam reduzidos a 1/3 de seus valores nominais.
( ) Trata-se de uma chave de partida direta com a possibilidade de reversão da rotação, pois o contator
K2 efetua a troca de sequência de fases no motor.
( ) Trata-se de uma chave estrela-triângulo, sendo a troca da ligação de K3 para K2 durante a partida
acompanhada por elevação de corrente.
( ) Trata-se de uma chave de partida direta com freio eletromagnético aplicado pelo acionamento do
contator K3.