
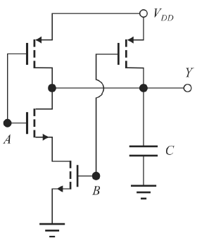
De acordo com a topologia apresentada no circuito da figura anterior, utilizado para realizar uma operação lógica, julgue o próximo item.
O circuito é uma implementação de uma porta NAND CMOS de duas entradas.

De acordo com a topologia apresentada no circuito da figura anterior, utilizado para realizar uma operação lógica, julgue o próximo item.
O circuito é uma implementação de uma porta NAND CMOS de duas entradas.