Julgue o seguinte item, relativos a acionamentos e controles elétricos.
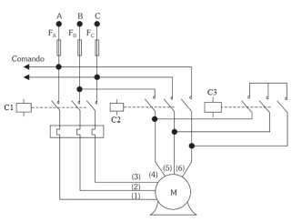
O diagrama seguinte representa corretamente uma chave de partida estrela-triângulo de um motor de indução.

Provas
Questão presente nas seguintes provas
Julgue o seguinte item, relativos a acionamentos e controles elétricos.
O diagrama seguinte representa corretamente uma chave de partida estrela-triângulo de um motor de indução.
