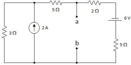
Analise o circuito abaixo.

O valor aproximado da resistência equivalente de Thevenin vista pelos terminais a-b é de
Provas
Questão presente nas seguintes provas
Engenheiro - Projetos de Sistemas Elétricos
50 Questões
Analise o circuito abaixo.

O valor aproximado da resistência equivalente de Thevenin vista pelos terminais a-b é de