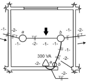
Na figura abaixo é mostrada uma instalação elétrica de duas lâmpadas (a e b) e uma tomada. No eletroduto entre as lâmpadas, os condutores do circuito 1 foram omitidos.

Fonte: Adaptado de J. Niskier, Manual de Instalações Elétricas, 2o edição. LTC, 2017.
Assinale a alternativa que contém a fiação faltante para o correto funcionamento do circuito 1.