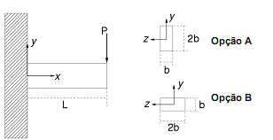
Uma viga de material metálico de comprimento L, que será utilizada para suportar uma carga P em balanço, deve ser engastada em uma parede, como ilustrado na figura abaixo. Como a seção é retangular, existem duas possibilidades de montagem: a opção A e a opção B. O arquiteto responsável pela obra sugeriu, por motivos estéticos, a opção B, mas o engenheiro, após realizar os cálculos pertinentes, optou pela opção A, por julgar mais segura. Assuma que a tensão no material é dada por
onde M é o momento fletor na viga e J é o momento de inércia da seção transversal e que
é a tensão máxima suportada pelo material da viga. Indique, nas opções abaixo quantas vezes maior pode ser o valor da carga P se a opção A for utilizada.
