O texto e o diagrama em blocos apresentados abaixo se refere a questão.
Em um aeroporto há um departamento de manutenção e documentação técnica de diversos sistemas e equipamentos operacionais do setor de cargas.
Foi solicitado o desenvolvimento de um sistema de alarmes apenas para esse departamento, conforme o diagrama em blocos abaixo.

A tecla # faz a função de reinicialização do sistema. Para habilitar os sensores, após a reinicialização, deve-se digitar o número de cada um deles seguido da tecla *.
O microcontrolador faz a varredura nos sensores habilitados e envia ao LCD o status desse conjunto.
Os sensores podem ser habilitados ou desabilitados por uma operação simples: digita-se "0" seguido de uma senha de quatro algarismos. Caso a senha seja válida, o LCD apresenta os números dos sensores habilitados.
Se um desses números for digitado, o LCD pergunta "Deseja desabilitar esse sensor?", se o número de um sensor desabilitado é digitado, o LCD pergunta "Deseja habilitar esse sensor?".
Após uma dessas operações, o LCD pergunta "Deseja realizar outra operação?", para disponibilizar o sistema para habilitação ou desabilitação de outros sensores.
Em caso de resposta negativa à última pergunta, o LCD volta ao modo visual normal, que mostra apenas os sensores habilitados.
Para essas três operações, a tecla * significa SIM e a #, NÃO.
Após a montagem de um protótipo, o sistema foi submetido a algumas análises e testes.
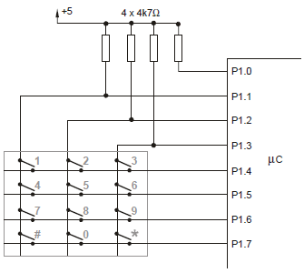
No sistema, o teclado está conectado ao port P1 conforme o esquema abaixo.

Para a leitura do teclado, o microcontrolador envia 0FH para o port P1 e identifica se há alguma tecla acionada.
Caso a tecla 5 seja acionada, os níveis lógicos do port P1 serão:
| P1.7 |
P1.6 | P1.5 | P1.4 | P1.3 | P1.2 | P1.1 | P1.0 |