Magna Concursos
Questões
Planos
Entrar
Entrar
Criar Conta
Respondida
579864
Ano:
2013
Disciplina:
Engenharia Mecânica
Banca:
CESPE / CEBRASPE
Orgão:
PF
Provas:
Engenheiro Mecânico
Provas
×
Controle e Automação
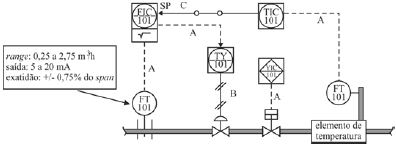
Considerando a malha de instrumentos esquematizada na figura acima, julgue o item que se segue.
Nas conexões designadas como A o sinal é hidráulico, na designada por B é por tubo capilar e C é uma ligação mecânica.
C
Certo
E
Errado
Resolver
Comentários
0
×
Cadernos
×
Flashcards
×
Estatísticas
×
Reportar um erro
×
Provas
Questão presente nas seguintes provas
Engenheiro Mecânico
120 Questões
Resolver Prova
Publicar
Responder
Qual o problema da questão?
Selecione uma opção
Questão Desatualizada
Questão Repetida
Gabarito Errado
Outros Motivos
Mensagem
Enviar
Acessar
Criar Conta
Acesse sua Conta
Google
Facebook
Esqueci minha senha
Acessar
Ainda não tem conta?
Crie uma
!
Crie uma Conta
Criar Conta
Olá, para continuar, precisamos criar uma conta!
É
rápido
e
grátis
.
Google
Facebook
Concordo com os
Termos de Uso
Criar
Já tem uma conta?
Acesse aqui