Magna Concursos
650414 Ano: 2014
Disciplina: Engenharia Elétrica
Banca: CESGRANRIO
Orgão: Petrobrás
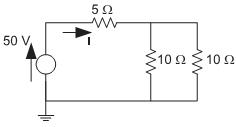
No circuito abaixo, todos os componentes são ideais.

enunciado 650414-1
O valor, em ampères, da corrente I mostrada nesse circuito é de
 

Provas

Questão presente nas seguintes provas