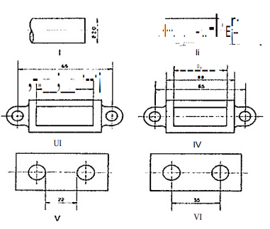
Observe as figuras a seguir.

Com relação às cotagens das figuras acima, pode-se afirmar que estão corretas apenas as figuras:
Observe as figuras a seguir.

Com relação às cotagens das figuras acima, pode-se afirmar que estão corretas apenas as figuras: