Magna Concursos
1638067 Ano: 2018
Disciplina: Engenharia Elétrica
Banca: UFES
Orgão: UFES

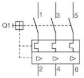
Observe o símbolo a seguir:

Enunciado 3458399-1

Segundo a norma NBR 5280, para comandos elétricos, o símbolo apresentado acima indica um

 

Provas

Questão presente nas seguintes provas

Técnico de Instrumentação

40 Questões