Magna Concursos
Questões
Planos
Entrar
Entrar
Criar Conta
Respondida
2414267
Ano:
2011
Disciplina:
Engenharia Elétrica
Banca:
UFES
Orgão:
UFES
Provas:
Engenheiro Eletricista
Provas
×
Gerenciamento de Obras
Projeto e Orçamentação
Projetos Elétricos
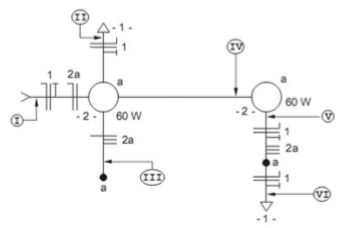
A seguir é ilustrado o esquema unifilar incompleto de uma instalação elétrica formada por dois circuitos. O primeiro circuito possui duas tomadas de 127 V e o segundo duas lâmpadas incandescentes de 60 W, com tensão de 127 V.
A
B
C
D
E
Resolver
Comentários
0
×
Cadernos
×
Flashcards
×
Estatísticas
×
Reportar um erro
×
Provas
Questão presente nas seguintes provas
Engenheiro Eletricista
60 Questões
Resolver Prova
Publicar
Responder
Qual o problema da questão?
Selecione uma opção
Questão Desatualizada
Questão Repetida
Gabarito Errado
Outros Motivos
Mensagem
Enviar
Acessar
Criar Conta
Acesse sua Conta
Google
Facebook
Esqueci minha senha
Acessar
Ainda não tem conta?
Crie uma
!
Crie uma Conta
Criar Conta
Olá, para continuar, precisamos criar uma conta!
É
rápido
e
grátis
.
Google
Facebook
Concordo com os
Termos de Uso
Criar
Já tem uma conta?
Acesse aqui