
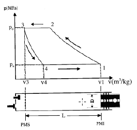
A figura acima representa o diagrama p-v (MPa – m3/kg) de um ciclo de funcionamento de um compressor alternativo, com suas diversas transformações. Com base nessa figura, julgue os itens que se seguem.
O percurso no gráfico do ponto 1 para o ponto 2 corresponde a uma compressão isocórica, enquanto o percurso do ponto 4 até o ponto 1 corresponde a uma expansão isobárica.