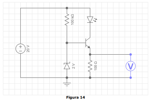
Observe o circuito da Figura 14, que exibe um regulador de tensão corrente constante:

Com base no funcionamento do circuito, determine o valor aproximado da leitura do voltímetro.
Observe o circuito da Figura 14, que exibe um regulador de tensão corrente constante:

Com base no funcionamento do circuito, determine o valor aproximado da leitura do voltímetro.