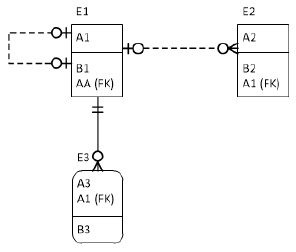
Considere o diagrama IDEF1X a seguir.

Assinale a opção que apresenta o script SQL que cria a tabela E2
corretamente.
Provas
Questão presente nas seguintes provas
Considere o diagrama IDEF1X a seguir.

Assinale a opção que apresenta o script SQL que cria a tabela E2
corretamente.