Magna Concursos
739106 Ano: 2014
Disciplina: Física
Banca: FCC
Orgão: SABESP

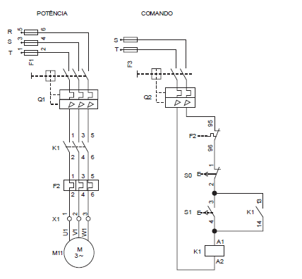
Considere abaixo os circuitos de potência e de comando para uma partida direta de motores.

Enunciado 739106-1

A partida do motor será efetivada manualmente por meio de

 

Provas

Questão presente nas seguintes provas

Oficial de Manutenção - Elétrica

40 Questões