
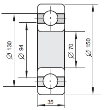
Em algumas manutenções onde ocorrem a limpeza de componentes mecânicos, a exemplo de rolamentos, para posterior montagem dos mesmos, torna-se necessária a colocação de graxa para maior durabilidade do componente e também para garantir o seu funcionamento. A colocação da graxa se reveste de grande importância para evitar erros por falta, ou por excesso. Em casos normais, uma relubrificação pode ser determinada pela fórmula Q = 0,005 x D x B. Sendo assim, para o rolamento de esferas mostrado acima, o mecânico deverá adicionar uma quantidade de graxa em torno de: