162445
Ano: 2017
Disciplina: Engenharia Eletrônica
Banca: IESES
Orgão: Polícia Científica-SC
Disciplina: Engenharia Eletrônica
Banca: IESES
Orgão: Polícia Científica-SC
Provas:
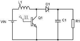
O conversor CC-CC está operando no modo contínuo de corrente, com o transistor Q1 operando como chave, na frequência de chaveamento f, conforme mostra a figura abaixo. Leia as proposições.

I. Neste modo de operação, a tensão de saída é sempre menor ou igual a tensão de entrada.
II. A cada vez que o transistor Q1 conduz, energia da fonte de entrada é transferida ao capacitor C1, e quando Q1 abre, a energia da entrada é transferida ao indutor L1.
III. A corrente de carga no indutor é não-linear, dado pela equação VL(t) = L di(t)/dt
IV. A corrente no capacitor C1 é tal que a tensão sobre C1 tende a permanece relativamente constante, dado por ic(t) = C dv/dt
Assinale a alternativa correta: