
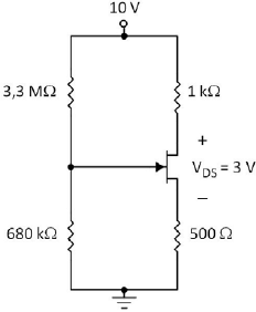
O circuito de polarização acima é implementado com um transistor de efeito de campo de junção JFET do tipo canal n. Esse circuito, utilizado em projetos de amplificadores de tensão, possui uma diferença de potencial entre dreno e fonte fixada em VDS = 3 V. Considerando esse circuito, julgue o próximo item.
A dissipação de potência pelo JFET, nesse circuito, é superior a 10 mW.
Provas
Questão presente nas seguintes provas
Especialista em Regulação de Aviação Civil - Área 1
120 Questões