Magna Concursos
Questões
Planos
Entrar
Entrar
Criar Conta
Respondida
1597620
Ano:
2010
Disciplina:
Engenharia Elétrica
Banca:
VUNESP
Orgão:
Pref. Sorocaba-SP
Provas:
Engenheiro Eletricista
Provas
×
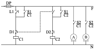
A figura o desenho dos circuitos de comando e potência para o acionamento de duas cargas elétricas monofásicas (cargas A e B).
Assinale a alternativa que descreve a lógica de comando implantada, de acordo com a figura.
A
Ao acionar a botoeira L1, a bobina do contator C1 é energizada, os contatos S1 e S2 deste contator são fechados e a carga A é energizada; ao acionar a botoeira D1, a bobina do contator C2 é energizada, os contatos S1 e S2 deste contator são fechados e a carga B é energizada.
B
Ao acionar a botoeira L1, a bobina do contator C2 é energizada, os contatos S1 e S2 deste contator são fechados e a carga B é energizada, ao acionar a botoeira D1, a bobina do contator C1 é energizada, os contatos S1 e S2 deste contator são fechados e a carga A é energizada.
C
Ao acionar a botoeira L1, a bobina do contator C1 é energizada; ao acionar a botoeira D1, a bobina do contator C2 é energizada, os contatos S1 e S2 deste contator são fechados e a carga A é energizada.
D
Ao acionar a botoeira D1, a bobina do contator C1 é energizada os contatos S1 e S2 deste contator são fechados e a carga A é energizada; ao acionar a botoeira L1, a bobina do contador C2 é energizada, os contatos S1 e S2 deste contator são fechados e a carga A é energizada.
E
Ao acionar a botoeira D1, a bobina do contator C2 é energizada, os contatos S1 e S2 desse contator são fechados e ambas as cargas são energizadas; ao acionar a botoeira L1, a bobina do contator C1 é energizada, os contatos S1 e S2 deste contator são fechados e ambas as cargas são desligadas.
Resolver
Comentários
0
×
Cadernos
×
Flashcards
×
Estatísticas
×
Reportar um erro
×
Provas
Questão presente nas seguintes provas
Engenheiro Eletricista
50 Questões
Resolver Prova
Publicar
Responder
Qual o problema da questão?
Selecione uma opção
Questão Desatualizada
Questão Repetida
Gabarito Errado
Outros Motivos
Mensagem
Enviar
Acessar
Criar Conta
Acesse sua Conta
Google
Facebook
Esqueci minha senha
Acessar
Ainda não tem conta?
Crie uma
!
Crie uma Conta
Criar Conta
Olá, para continuar, precisamos criar uma conta!
É
rápido
e
grátis
.
Google
Facebook
Concordo com os
Termos de Uso
Criar
Já tem uma conta?
Acesse aqui