Magna Concursos
3119031 Ano: 2024
Disciplina: Engenharia Elétrica
Banca: CESPE / CEBRASPE
Orgão: MPE-TO
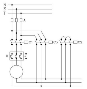
Enunciado 3445611-1

Em relação ao esquemático precedente, julgue o item que se segue.

O dispositivo C2 está ligado na configuração triângulo.

 

Provas

Questão presente nas seguintes provas

Técnico Ministerial - Eletricidade

120 Questões